New Delhi
+919810041415
+919810041415

Bosch Rexroth Ball Rail Guide

Bosch Rexroth Ball Rail Guide by Bosch Rexroth Ball Rail Guide

Bosch Rexroth Ball Rail Guide

INR 67500 INR 75000
Phone Number

+918810316010

Email Address kapoorbearing@gmail.com

Mon-Thu: 10 AM - 2 PM • Fri: 3 PM - 7AM

Other Website Visit our other website
Address 52, GB Road, Shardhanand Marg

New Delhi, India, 110006

Description

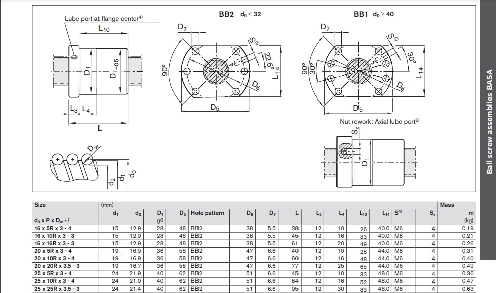
Bosch Rexroth Linear Motion Systems – Advanced Engineering for Precision Performance Introduction to Bosch Rexroth Linear Motion In the field of industrial automation, Bosch Rexroth Linear Motion represents the highest level of engineering precision and reliability. Designed for demanding applications, Bosch Rexroth Linear Motion Components such as Linear Guides, Ball Rails, LM Guides, Ballscrews, and Roller Rails provide accurate, efficient, and repeatable motion under heavy load conditions. For engineers across Indian industrial hubs like Pune, Chennai, Ahmedabad, and Coimbatore, Bosch Rexroth Linear Motion Products are the foundation of high-performance machinery. Built to deliver controlled linear movement, these systems minimize energy loss and ensure consistent results across various production environments. Engineering Behind Bosch Rexroth Linear Motion Each Bosch Rexroth Linear Motion Product integrates advanced mechanical design, optimized material selection, and precise manufacturing processes. The core principle involves transforming rotary motion into linear motion using rolling elements such as balls or rollers. This reduces friction and ensures long-term operational stability. Bosch Rexroth Linear Motion Systems are designed with accuracy classes and preload options that allow engineers to fine-tune stiffness, damping, and motion smoothness. The result is a system that performs reliably even under variable load and temperature conditions. Key Engineering Highlights Advanced sealing and lubrication systems High load-carrying capability Precision-ground rails and screws Reduced friction and wear Modular system compatibility Bosch Rexroth Linear Guide – The Core of Precision Motion The Bosch Rexroth Linear Guide ensures exact positioning with low friction and high rigidity. Each Linear Guide Rail is made from hardened steel with a precise raceway geometry. The Runner Block contains recirculating ball bearings that move smoothly within the guide, creating consistent linear travel. Engineers rely on Bosch Rexroth Linear Motion Guides for applications requiring accurate positioning and repeatability, such as CNC machining, robotics, and measuring equipment. Technical Characteristics of Bosch Rexroth Linear Guides Optimized contact geometry for smooth rolling motion Preload options to eliminate play and enhance stiffness High static and dynamic load ratings Corrosion-resistant materials for longevity Minimal lubrication requirement due to integrated reservoirs The Bosch Rexroth Linear Motion Guide System maintains precise performance over extended cycles, even under heavy dynamic loads, which is critical for Indian manufacturing industries operating continuously. Bosch Rexroth Ball Rail System – Compact Precision Engineering The Bosch Rexroth Ball Rail System combines compact design with superior load distribution. In this system, rolling elements circulate between the rail and carriage, providing linear guidance with high stiffness. Each Bosch Rexroth Ball Rail features an optimized ball circulation mechanism that reduces vibration and ensures quiet operation. The sealing system protects internal components from contaminants, extending service life in harsh environments. Performance Advantages High running accuracy due to precise ball circulation Long maintenance intervals with integrated lubrication ports Balanced load distribution for smooth motion Compact design for space-constrained machinery High dynamic load capacity The Bosch Rexroth Ball Rail Guide is ideal for high-speed automation systems in Indian industries, ensuring exact positioning without mechanical backlash. Bosch Rexroth LM Guide – Linear Motion Redefined The Bosch Rexroth LM Guide, also known as the Linear Motion Guide, represents the evolution of linear technology. It uses rolling elements in a preloaded arrangement that minimizes elastic deformation. The Bosch Rexroth LM Guide System supports applications requiring high speed, smoothness, and durability. These systems are engineered with optimized raceway geometries and special materials that provide excellent resistance to vibration and impact loads. Bosch Rexroth LM Guide Technical Benefits Low starting torque for efficient motion High rigidity due to increased contact area Stable motion at high acceleration rates Long-term accuracy retention Uniform load distribution across the raceway Engineers in India integrate Bosch Rexroth LM Guide Rails into automation, robotics, and optical equipment, where precision movement and reliability are mandatory. Bosch Rexroth Ballscrew – Efficient Power Transmission The Bosch Rexroth Ballscrew converts rotary input into precise linear displacement. Its design includes a precision-ground screw shaft, a ball nut, and recirculating balls that roll between the two components. Bosch Rexroth Ballscrew Assemblies are known for high mechanical efficiency, typically exceeding 90 percent, which significantly reduces power consumption and thermal buildup. The Bosch Rexroth Ballscrew System ensures reliable motion control for CNC machines, servo drives, and precision actuators. Technical Specifications Lead accuracy within micrometer tolerance levels Reduced backlash with precision-preloaded nuts High axial load capacity Low noise due to optimized ball circulation Minimal maintenance requirements Indian engineers use Bosch Rexroth Ballscrew Assemblies to achieve repeatable linear motion in heavy-duty and high-speed machining applications, where efficiency and precision are critical. Bosch Rexroth Roller Guide and Roller Rail Systems The Bosch Rexroth Roller Guide is engineered for applications demanding maximum stiffness and rigidity. Instead of balls, cylindrical rollers carry the load, allowing larger contact surfaces and higher load-bearing capacity. The Bosch Rexroth Roller Rail offers minimal elastic deformation under load and maintains high precision even during high acceleration and deceleration phases. These systems are designed for metal cutting, forming, and injection molding equipment used widely in Indian industry. Bosch Rexroth Roller Guide Advantages High rigidity and minimal deflection Excellent vibration resistance Long operational life in high-load environments Smooth motion without stick-slip effect Consistent performance under temperature variations The Bosch Rexroth Linear Motion Roller Guide System ensures both strength and precision, making it indispensable in demanding industrial applications. Material Technology and Durability Bosch Rexroth Linear Motion Components are constructed from high-grade steels with advanced heat treatment processes to enhance hardness and fatigue resistance. Surface coatings provide additional protection against corrosion, crucial for Indian climates with humidity and dust exposure. Each Bosch Rexroth Linear Guide, Ball Rail, and Roller Rail undergoes precision grinding and finishing processes that ensure micron-level dimensional accuracy. This guarantees stable running behavior, reduced wear, and extended operational life. The combination of material strength, optimized geometry, and precision manufacturing allows Bosch Rexroth Linear Motion Products to operate efficiently under heavy mechanical loads with minimal maintenance. Design Flexibility and Integration Bosch Rexroth Linear Motion Systems are modular and can be easily integrated into various mechanical assemblies. Engineers can select from a wide range of sizes, preload classes, and accuracy grades to meet specific performance requirements. The Bosch Rexroth Linear Guide Rail series is available in standard, wide, and compact versions. Similarly, Ballscrews and Ball Rails can be configured for vertical or horizontal motion, depending on load and space constraints. Key Integration Features Compatibility with various mounting surfaces Easy replacement and retrofitting options Factory pre-lubricated components for immediate installation Alignment aids for reduced setup time Standardized interfaces across product families This adaptability makes Bosch Rexroth Linear Motion Components ideal for new machinery design and retrofitting existing industrial systems in India. Performance in Harsh Industrial Environments Indian industries often face dust, humidity, and fluctuating temperatures that challenge motion systems. Bosch Rexroth Linear Motion Products are engineered to maintain consistent performance under these harsh conditions. Advanced sealing systems on Linear Guides and Ball Rails prevent contamination, while optimized lubrication channels ensure continuous film formation on rolling elements. This leads to smoother motion, reduced noise, and extended life. Bosch Rexroth Linear Motion in India is specifically adapted to support long operating hours and variable loads typical of Indian production facilities. Maintenance and Life Cycle Cost Benefits Low maintenance requirements make Bosch Rexroth Linear Motion Systems a cost-effective choice for Indian manufacturers. Components such as Bosch Rexroth Ball Rail Systems and Ballscrew Assemblies feature integrated lubrication systems that reduce service intervals. Benefits of Low Maintenance Design Reduced downtime Lower operating costs Extended service intervals Predictable performance over years of use Simple inspection and replacement procedures Over the equipment life cycle, the Bosch Rexroth Linear Motion Guide delivers superior cost efficiency by maintaining precision without frequent part replacement. Bosch Rexroth Quality and Support in India Bosch Rexroth India maintains a strong technical and service presence across all major industrial zones. Engineers benefit from local support in selection, installation, and performance optimization of Linear Motion Systems. Each Bosch Rexroth Linear Motion Product is backed by detailed technical documentation, online configurators, and lifetime support from trained professionals. This ensures consistent quality and optimal system integration for Indian manufacturing operations. Conclusion For engineers and industrial professionals across India, Bosch Rexroth Linear Motion Technology defines reliability, precision, and longevity. Whether it is a Bosch Rexroth Linear Guide, Ball Rail, LM Guide, Ballscrew, or Roller Rail, every product reflects a commitment to technical excellence. The superior engineering of Bosch Rexroth Linear Motion Components enables machines to operate with minimal friction, precise positioning, and consistent accuracy under continuous loads. By combining German design precision with local support in India, Bosch Rexroth Linear Motion Solutions ensure that Indian industries achieve global standards in productivity and efficiency. Bosch Rexroth Linear Motion continues to be the preferred choice for engineers seeking unmatched performance, long service life, and sustainable automation across Indian industrial sectors.

Specifications

rexroth linear 35000
rexroth ballscrew 26000

Other Products

view all

6814772a5d263414004dd4a4 Card 2

product image
Rexroth Linear Guide

Bosch Rexroth Linear Blocks — Trusted by Indian Industry For manufacturers who demand precision, durability, and efficiency, Bosch Rexroth linear blocks are the gold standard. These runner blocks, part of the Ball Rail System, deliver smooth travel, high load capacity, and long service life, ensuring reliable performance in CNC machining, packaging automation, robotics, printing presses, and textile machinery. With Kapoor Bearing House as your pan‑India distributor, you get not only Rexroth’s world‑class technology but also fast delivery, expert guidance, and dependable after‑sales support. ✅ Why Rexroth Linear Blocks? Heavy‑duty strength → handles loads in all directions. Smooth, low‑friction travel → optimized ball circulation for vibration‑free motion. Compact modular design → easy integration into multi‑axis systems. Low maintenance → lubrication ports extend service intervals. Smart options → available with integrated measuring systems for automation feedback.

6814772a5d263414004dd4a4 Card 2

product image
Rexroth Linear Guide

Bosch Rexroth Linear Blocks — Precision Delivered by Kapoor Bearing House When your machines demand accuracy, strength, and reliability, Bosch Rexroth linear blocks are the solution. Built as part of the Ball Rail System, these runner blocks ensure smooth travel, high load capacity, and long service life — making them indispensable for CNC machining, packaging automation, robotics, printing presses, and textile machinery. At Kapoor Bearing House, we make it simple for Indian manufacturers to access Rexroth’s world‑class technology with pan‑India delivery, expert guidance, and dependable after‑sales service.

6814772a5d263414004dd4a4 Card 2

product image
Rexroth Linear Guide

Bosch Rexroth Linear Blocks — Delivered by Kapoor Bearing House For industries that demand accuracy, durability, and smooth motion, Bosch Rexroth linear blocks are the trusted choice worldwide. These runner blocks, part of the Ball Rail System, ensure high load capacity, low friction, and long service life — making them essential for CNC machining, packaging automation, robotics, printing presses, and textile machinery. At Kapoor Bearing House, we combine Rexroth’s global technology with local expertise and pan‑India distribution, ensuring customers get the right product, fast delivery, and reliable after‑sales support.